
2022-05-05|admin
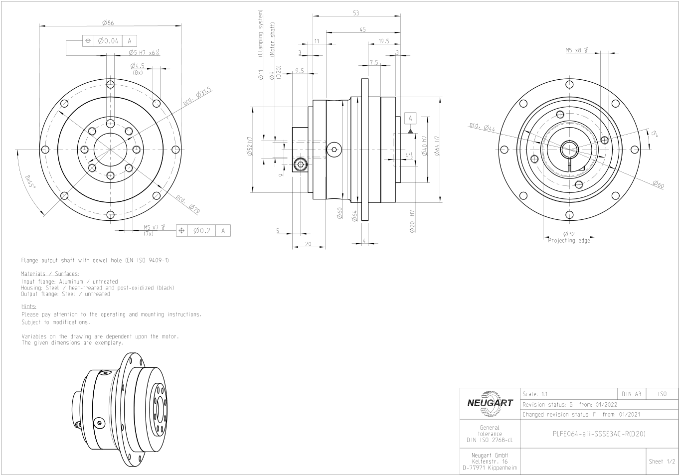
PLFE is a planetary gearbox with a compact flanged output shaft.
It saves at least a third of space and is five times more rigid in torsion. With its standardized flange interface,
The planetary gearbox is easy to install. Built-in dowel pin holes also provide additional security when securing.
for transmissions, for servo motors, for conveyors, for lifting applications, for robotics, for automation equipment, for handling equipment, for packaging machines, for agricultural machinery
Contact technology to provide a full range of gearbox product information
Download the internal structure diagram of PLFE planetary gearbox online:

PLFE reducer structure diagram online download:
